%1
indirimli
157.775
TL
156.607 TL
HIZLI TESLİMAT
HIZLI TESLİMAT
Ürünle İlgili Öne Çıkan Kampanyalar
{{CMP.TITLE}}
{{CMP.DESCRIPTION}}
- Ürün Özellikleri
- Ödeme Seçenekleri
- Yorumlar (0)
- Resimler
- Beni Ara
-
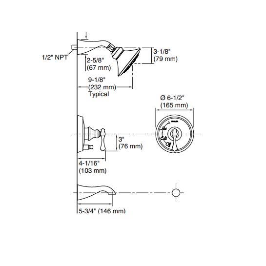
Kohler, Pressure Balans, su basıncı dalgalanmaları sırasında istediğiniz su sıcaklığını koruyan basınç dengeleme valfidir.
Ana gövde üzerinde bulunan divertör ile tepe duşu ve gagaya yönlendirme yapılmaktadır.
Sistem ankastre bir sistemdir ve seramik döşenmeden önce sitem iç parçaları yerleştirilir.
Pressure sistemlerde tek kumanda kolu ile suyu açma/kapama ve soğuk/sıcak su ayarı yapılmaktadır.
Sıva altı pirinç döküm valf gövdesi ayrıca sipariş edilmelidir.
● Kohler Revival eliptik formları ve kıvrımlı kenarları ile klasik,romantik bir görünüme sahiptir
● Burushed Nikel fırçalanmış nikel rengidir
● Ergonomik açma /kapama koluna sahiptir
● Dayanıklılık ve güvenilirlik için birinci sınıf malzemeden üretilmiştir
● Korozyona ve kararmalara karşı dayanıklıdır
● Banyo koleksiyonunuzu tamamlamak için Revival lbataryalara sitemizde ulaşabilirsiniz
● Menşei USA***Türkiye dışından mal alım taleplerinde kargo ve gümrükleme bedelleri alıcıya aittir.
***İstanbul dışı siparişlerde ürün kargo bedeli siparişe özel hesaplanıp, alıcıya yansıtılmaktadır.
Benzer Ürünler
